


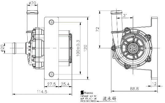
Voltage: 12V DC
Power: 80W
Current: 5A
Lift: 9±1m
Flow: 60(±10%)L/min
IP rating: IP67
Noise: ≦45dB max@0.5m
Insulation level: Class F (155℃)
Lifespan: ≧ 20000 H
Ambient temperature: -40℃~100℃
Features:
Adopting brushless motor structure, long life and reliable performance
PWM speed regulation and fault feedback function design
Premium design for use in harsh climates
Application:
New energy vehicle motors, batteries, electronically controlled cooling cycles, automotive air conditioning cycles, charging piles and motorcycles, etc.
Address:5th Floor,Building 3,NO.455,Er Huan South Road,Tong an District, Xiamen City
Phone:0592-7100076
E-mail: amy@auto-thermo.cn
Domain:m.twolibertybelles.com